Solar Energy Systems – New Market Trends in Current Sensing
Introduction
Bell Laboratories invented silicon photovoltaic (PV) cell technology in 1954 and pioneered the use of solar panels in space exploration. First used commercially in the 1970s, solar panels achieved a cost of $20 per watt. Since then, many technological advances have driven these costs down to a mere $0.2 per watt, enabling solar installations to surpass other renewable energy rivals. Projected to grow by an estimated 25 percent CAGR by 2026, the solar energy market will continue to benefit from technology innovations that will increase efficiencies and reduce manufacturing costs.

This new paradigm is accelerating the proportion of solar energy in the total energy mix of most nations, making solar a leading source of sustainable energy. As solar installations grow larger and more ambitious by the day, new trends in current sensing are emerging for this expanding energy market.
Reducing Cost and Enhancing Efficiency with 1500 VDC PV DC Strings
Traditionally, most PV solar panel systems have used 600 VDC and 1100 VDC systems, with several PV panels connected in a “string” to achieve the desired voltage. With a push toward achieving lower cost and higher power with better efficiency, PV systems capable of supporting 1500 VDC are becoming the industry standard. As the output voltage per panel stays relatively constant, solar systems are being designed with more PV panels per string, reducing the need for DC-to-AC converters and combiner boxes used in PV installations. This efficient design approach reduces overall system cost through a combined savings in material costs, wiring and installation time.
This cost-saving approach at the system level places tougher requirements on the individual components in a PV panel string. The panel electronics now must be isolated for >1500 VDC, which is a non-trivial requirement for many solar systems.
Solar inverters use high-voltage current sensors in multiple places, as shown in Figure 2. These current sensors play a critical role in the safety, efficiency and robustness of the electronic system. A key challenge for current sensors in newer topologies is the high isolation voltage needed for the new 1500 VDC systems at the PV string level. Higher isolation implies the need for achieving higher galvanic isolation, with bigger creepage and clearance, and in turn, leading to larger, more expensive current sensor packages.

Figure 2: Typical block diagram for a solar energy system with current-sensing sockets.
Fortunately, there are effective solutions to this current sensing design challenge. For example, new Hall-effect-based sensors from Allegro MicroSystems offer a UL-rated 1550 VDC working
isolation grade, providing 4.8 kV dielectric protection in much more contained packages. Optimized for solar energy systems, the ACS37002 current sensor is available from Allegro in minute-footprint SOIC16 packages with an internal conductor resistance of 0.85 mΩ.
It is notably difficult to develop energy-harvesting applications that comply with the IEC60950-1 specification while simultaneously minimizing system power consumption. For example, with a 100 A current, the ACS37002 in an MA package draws only 8.5 W while the current sensor in an MC package consumes 2.65 W, instead of 20 W for a typical 2 mΩ shunt-based current sensing implementation (see Table 1).

Table 1: Current sensing options and power loss at 100 A
The current sensor in an MC package is nearly 10× more power efficient than a shunt-based solution. As the power consumed is equal to R.I2, this effect is exponentially more important with higher currents that large utility-scale installations require. This energy efficiency also reduces self-heating of the device, which can induce some linearity errors, thus providing a high sensing accuracy of 1% typical across the temperature range at a 400 kHz bandwidth.
State-of-the-art current sensors that are optimized for solar energy applications, such as the ACS37002, achieve an ideal balance between reliable protection, high accuracy, ideal size and prompt response times.
Flexibility as a Feature in Design Simplification
With the multiplication of solar installation projects and focus on fast ROI, the industry is adapting to the diversity of use cases with a platform approach, enabling solutions to be tailored to the specific customer requirements. This platform flexibility reduces engineering time and cost, accelerates time to market, and simplifies procurement and logistics with fewer part numbers to stock and maintain.
For example, as shown in Table 2, the ACS37002 current sensor portfolio allows designers to select one part number, while choosing from four different gains through a pair of gain selection pins. This flexible approach enables four specific part numbers to support 14 different sensitivities ranging from ±10 to ±133 A, as indicated by highlighting in Table 3.

Table 2: ACS37002LMA -50B3 example of how to choose the gain (Source: Allegro datasheet)

Table 3: ACS37002 current sensor selection guide (Source: Allegro datasheet)
Developers can take advantage of the full dynamic range of the analog-to-digital converter (ADC) in many different use cases, while achieving higher accuracy through a better signal-to-noise ratio (SNR). Offering additional flexibility to designers, the VREF input pin provides a variable zero-current output voltage, enabling bidirectional or unidirectional current sensing that adjusts more precisely to the ADC at full scale.
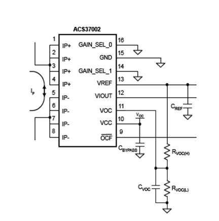
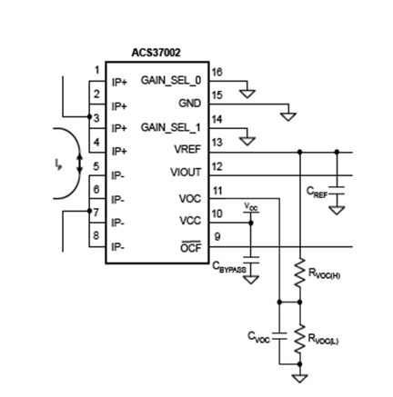
Further enhancing design flexibility, the ACS37002 incorporates an overcurrent fault detection (OCF) capability that allows the threshold to be adjusted by a pin (VOC), as shown in Table 4 and the circuit diagram in Figure 3. This OCF feature provides a much quicker response (<1 µs typically) directly to the microcontroller (MCU). Additional chip select pins enable a shut down to be initiated in case of a current surge that could damage the system. This current sensor feature replaces otherwise cumbersome and slower comparators required to recreate this critical function.

Table 4: VOC thresholds and corresponding percentage of the full scale.

Figure 3: Circuit diagram for ACS37002 implementation.
CONCLUSION
As the solar PV market continues to accelerate, system designers need higher levels of hardware adaptability to address the wide range of installation use cases. Design flexibility is key to reducing system cost and optimizing performance in solar energy applications, and this requirement extends to the choice of current sensing platforms. Developers now have a choice of feature-rich current sensing portfolios that offer a combination of high isolation, lower power consumption and high accuracy in small-footprint packages, enabling better, more flexible control of solar energy systems.
For more information on Allegro’s ACS37002 current sensors and other renewable energy solutions, visit allegromicro.com/RenewableEnergy.
Based on the article “Solar Energy Systems –New Market Trends in Current Sensing”, by Tristan Brillet de Cande, originally published in Bodos Power Systems, April, 2021. The original article can be downloaded here. Republished with permission. For portions not copyrighted by original publisher, Copyright ©2021, Allegro MicroSystems, Inc.