Current-Sensor-ICs
High-Accuracy, Galvanically Isolated Current Sensor IC with Pin-Selectable Bandwidth
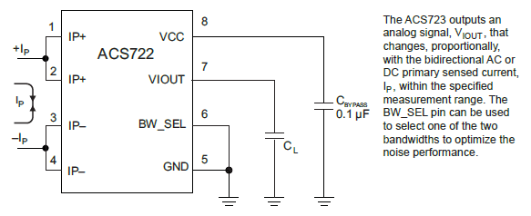
ACS723
The ACS723 provides precise current measurements for AC or DC current, featuring pin-selectable bandwidth (80kHz or 20kHz), galvanic isolation, and a small footprint for space-constrained applications. Operates at 3.3V.
Product Details
Product Details
Top Features
- Patented integrated digital temperature compensation circuitry allows for near closed loop accuracy over temperature in an open loop sensor
- UL60950-1 (ed. 2) certified
- Dielectric Strength Voltage
- ACS723LLC: 2.4 kVrms
- ACS723KMA: 4.8 kVrms
- Basic Isolation Working Voltage
- ACS723LLC: 420 Vpk or VDC / 297 Vrms
- ACS723KMA: 1550 Vpk / 1097 Vrms or VDC
- Reinforced Isolation Working Voltage
- ACS723KMA: 800 Vpk / 565 Vrms or VDC
- Dielectric Strength Voltage
- Industry-leading noise performance with greatly improved bandwidth through proprietary amplifier and filter design techniques
- Pin-selectable band width: 80 kHz for high bandwidth applications or 20 kHz for low noise performance.
- Primary conductor resistance for low power loss and high inrush current withstand capability
- ACS723LLC: 0.65 mΩ
- ACS723KMA: 0.85 mΩ
- Packages:
- ACS723LLC: Small footprint, low-profile SOIC8 package suitable for space-constrained applications
- ACS723KMA: Low-profile SOIC16 wide-body package suitable for space-constrained, high isolation applications
- ACS723LLC: Integrated shield virtually eliminates capacitive coupling from current conductor to die, greatly suppressing output noise due to high dv/dt transients
- 4.5 to 5.5 V, single supply operation
- Output voltage proportional to AC or DC current
- Factory-trimmed sensitivity and quiescent output voltage for improved accuracy
- Chopper stabilization results in extremely stable quiescent output voltage
- Nearly zero magnetic hysteresis
- Ratiometric output from supply voltage
Part Number Specifications and Availability
Technical Documentation
Application Note
Package Thermal Resistance for Allegro Current Sensors with Integrated Conductors
Certificate
Certificate of Compliance 20181207-E316429
Certificate
Certificate CB US 42876 UL LC Package
Certificate
Certificate of Compliance 20190906-E316429
Certificate
CB Certificate US-32848-UL
Certificate
Certificate CB US 36315 UL MA Package
Certificate