DCDC Regulators

2A, Low-Voltage Synchronous Buck Regulator with Adjustable Frequency and Power-OK

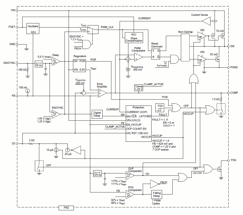
A8650

The A8650 provides efficient and flexible power conversion for low-voltage applications, with adjustable switching frequency, external synchronization, and a power-OK output. Features integrated MOSFETs and comprehensive protection.

Product Details

Top Features

  • Automotive AEC-Q100 qualified
  • Operating voltage range: 2.5 to 5.5 V
  • UVLO stop threshold: 2.25 V (max)
  • Adjustable switching frequency (fOSC): 0.25 to 2.45 MHz
  • Synchronizes to external clock: 1.2× to 1.5× fOSC (typ)
  • Internal 70 mΩ high-side switching MOSFET
  • Internal 55 mΩ low-side switching MOSFET
  • Capable of at least 2.0 A steady-state output current
  • Sleep mode supply current less than 3 μA
  • Adjustable output voltage as low as 0.8 V with ±1% accuracy from –40°C to 125°C
  • Soft start time externally set via the SS pin
  • Pre-biased startup capable
  • Externally adjustable compensation
  • Stable with ceramic output capacitors
  • Enable input, and Power OK (POK) output
  • Cycle-by-cycle current limiting (OCP)
  • Hiccup mode short circuit protection (HIC)
  • Overvoltage protection (OVP)
  • Overtemperature protection (TSD)
  • Open circuit and adjacent pin short circuit tolerant
  • Short to ground tolerant at every pin

Part Number Specifications and Availability

Design Tools

Technical Documentation