DCDC Regulators

Automotive 2A Buck Regulator with Low-Iq Mode and PFM/PWM Control

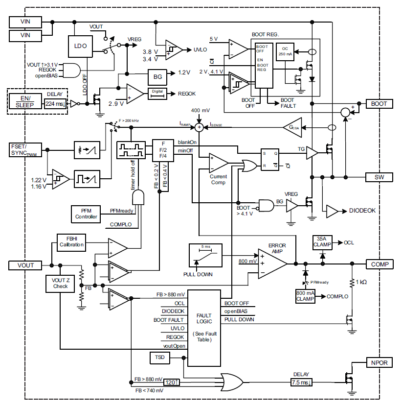
A8591

The A8591 provides efficient and quiet power conversion for automotive applications, with selectable PFM/PWM modes for optimized light-load efficiency and a sleep mode for ultra-low standby current.

Product Details

Top Features

  • Automotive AEC-Q100 qualified
  • Withstands surge input to 40 VIN for load dump
  • Operates down to 3.4 VIN (typ), 3.6 VIN (max) for idle stop
  • Utilizes pulse-frequency modulation (PFM) for low-IQ mode
  • 10 μA Sleep mode (automatic PWM / Low-IQ PFM mode selection)
  • Fixed output voltage options: 3.3 or 5 V with ±1% accuracy
  • Delivers up to 2 A of output current
  • Integrated 110 mΩ high-side MOSFET
  • Adjustable switching frequency from 300 kHz to 2.4 MHz
  • EMI reduction features:
    • Frequency dithering
    • Controlled switching node
  • External synchronization capability
  • Maximum duty cycle for low dropout
  • Active low NPOR output with 7.5 ms delay
  • Pre-bias startup capable: VOUT increases monotonically, will not cause a reset
  • External compensation for maximum flexibility
  • Stable with ceramic or electrolytic output capacitors
  • Internally fixed soft-start time of 5 ms
  • Pulse-by-pulse current limit, hiccup mode short-circuit, and thermal protections
  • Pin open/short and component fault tolerant
  • –40°C to 150°C operating junction temperature range
  • Thermally enhanced DFN-10 surface-mount package

Part Number Specifications and Availability

Design Tools