Functional Safety PMICs

Automotive Multi-Output Regulator with Buck/Buck-Boost Pre-Regulator, LDOs, Gate Drivers, and SPI

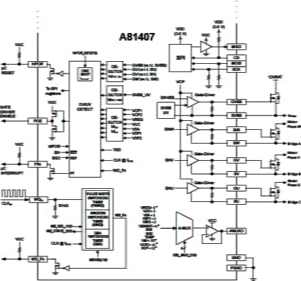
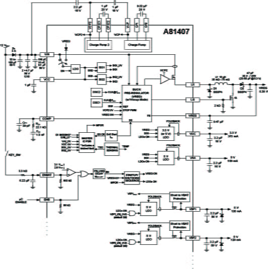
A81407

The A81407 integrates a buck/buck-boost pre-regulator, multiple LDO regulators, gate drivers, and SPI control for comprehensive power management and control of external switched loads in automotive and industrial applications.

Product Details

Top Features

  • A2-SIL™ pending—device features for safety-critical systems
  • Automotive AEC-Q100 qualified
  • Wide input voltage range, 3.8 to 36 VIN operating range,40 VIN maximum
  • 2.2 MHz buck or buck/boost pre-regulator (VREG: 5.35 V) with low EMI frequency dithering
  • Four internal linear regulators with foldback short-circuit protection
  • OV and UV protection for all output rails provide the ability to monitor health of outputs
  • Pulse Width Watchdog (PWWD), Window Watchdog (WWD), and Q&A Watchdog (QAWD)
  • Floating gate drivers (with charge pumps) for external switched load control

Part Number Specifications and Availability

Design Tools

Technical Documentation