LED Drivers

High Power LED Drivers with Pre-Emptive Boost for Ultra-High Dimming Ratio

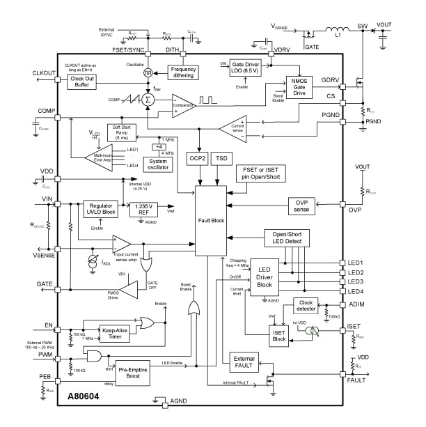
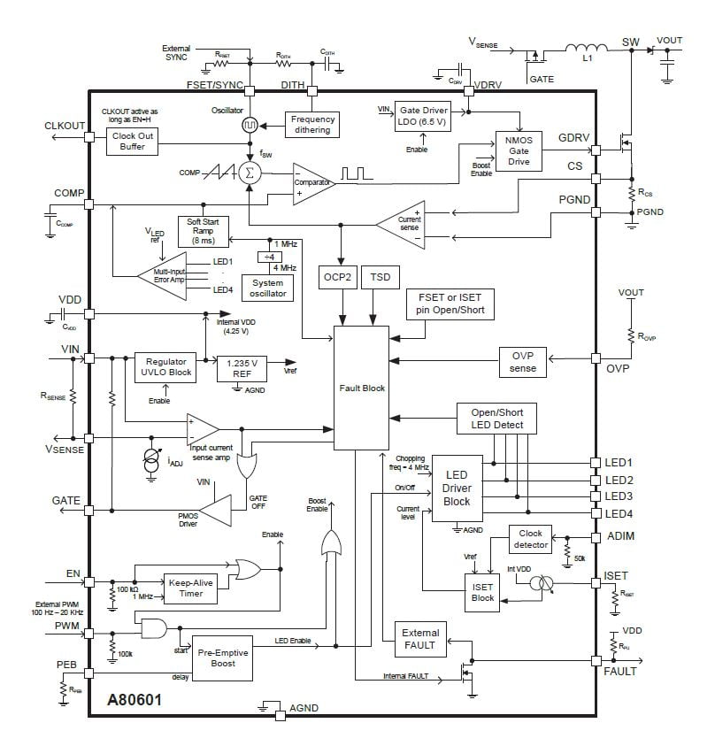
A80601-4

Serving as a replacement part for the A8509, the A80601/4 delivers ultra-high dimming ratios (up to 15,000:1 at 200Hz) with minimal output ripple, using patented Pre-Emptive Boost (PEB) control. These multi-output LED drivers offer integrated current sinks, flexible boost/SEPIC operation, and extensive protection features. The A80604 provides a modified programming range for PEB control, optimized for lower boost switching frequencies.

Product Details

Top Features

  • Automotive AEC-Q100 qualified
  • Enhanced fault handling for ASIL B system compliance
  • Wide input voltage range of 4.5 to 40 V for start/stop,cold crank, and load dump requirements
  • Operate in Boost or SEPIC mode for flexible output
  • Gate driver for external NMOS to deliver higher output power
  • Four integrated LED current sinks, up to 210 mA each
  • Boost switching frequency synced externally or programmed from 200 kHz to 2.3 MHz
  • Programmable boost frequency dithering to reduce EMI
  • Advanced control allows minimum PWM on-time down to 0.3 μs, and avoids MLCC audible noises
  • LED contrast ratio: 15,000:1 at 200 Hz using PWM dimming alone, 150,000:1 when combining PWM and analog dimming
  • Excellent input voltage transient response even at lowest PWM duty cycle
  • Gate driver for optional PMOS input disconnect switch
  • Extensive fault protection features

Part Number Specifications and Availability

Design Tools