LED Drivers

Automotive Linear LED Drivers with PWM Dimming and Fault Protection

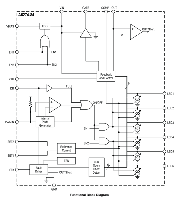
A6274-A6284

The A6274/A6284 family offers efficient and flexible LED driving for automotive lighting, with six independently controlled outputs, PWM dimming, and integrated fault protection.

Product Details

Top Features

  • Six LED current sinks rated up to 60 mA (A6274) or 120 mA (A6284)
  • Total LED drive current—up to 360 mA or 720 mA
  • Wide input voltage range of 5 to 42 V for start/stop, coldcrank, and load-dump requirements
  • Low-dropout voltage—drives two series WLEDs from 7 V input
  • Gate driver for external ballast P-MOSFET
  • LEDs combined in two groups with separate ENx and ISETx
  • LED current level set by external reference resistors
  • Internal or external PWM dimming
  • Controlled output drivers slew during PWM for lower EMI
  • Fault detection features: LED string open, LED pin short-to-ground, single LED short, VOUT short-toground, VIN overvoltage, and thermal protection
  • Input supply and temperature-based derating
  • Automotive K-temperature range (–40°C to 150°C)
Target Application

Part Number Specifications and Availability

Design Tools