Brush DC Drivers

DMOS Microstepping Driver with Adaptive Current Control and 1A Output

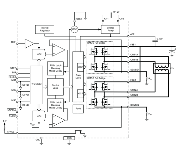
A5985

The A5985 provides quiet and precise control of stepper motors with output current up to 1A per phase, featuring adaptive current control to minimize noise and vibration, an integrated translator, and selectable step modes for simplified design.

Product Details

Top Features

  • Drop-in replacement for A4988
  • Proprietary QuietStep option
  • Low RDS(on) outputs
  • Single supply
  • Microstepping up to 32 microsteps per full step
  • Full torque step modes
  • Short-to-ground protection
  • Shorted load protection
  • Short-to-battery protection
  • Fault output
  • Low current Sleep mode, < 10 μA
  • Thin profile QFN
  • Thermal shutdown circuitry
  • Synchronous rectification for low power dissipation
  • Internal UVLO
  • Crossover-current protection

Part Number Specifications and Availability

Design Tools