Brushless DC Drivers

Three-Phase Sensorless Fan Driver IC for Automotive Applications

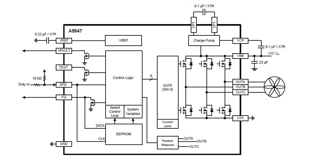
A5947

The A5947 simplifies the design of sensorless automotive fan systems with its integrated closed-loop speed control, sinusoidal drive, and programmable speed curves. Eliminates the need for a microcontroller and reduces PCB space.

Product Details

Top Features

  • AEC-Q100 qualified
  • Speed curve configuration via EEPROM
  • I2C serial port
  • Sinusoidal modulation for reduced audible noise and low vibration
  • Sensorless (no Hall sensors required)
  • Low RDS(ON) power MOSFETs
  • 3.3 V / 20 mA linear regulator
  • PWM or analog speed input
  • FG speed output
  • Slew rate control
  • Lock detection Soft start
  • Low power standby mode
  • Overcurrent protection
  • Overvoltage protection
Target Application

Part Number Specifications and Availability

Design Tools