Brush DC Drivers

Automotive Microstepping Stepper Driver with SPI Control and Diagnostics

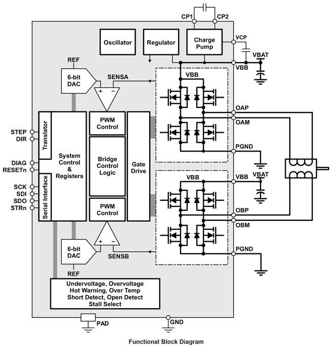
A4993

The A4993 offers flexible and precise control of bipolar stepper motors, with integrated phase current control, a built-in translator for easy microstepping, and SPI control for advanced configuration and diagnostics.

Product Details

Top Features

  • Peak motor current up to 1.4 A at 28 V.
  • Low RDS(ON) outputs, 0.5 Ω source and sink typical
  • Continuous operation at high ambient temperature
  • 3.5 to 50 V supply operation
  • Adaptive mixed current decay
  • Synchronous rectification for low power dissipation
  • Internal overvoltage and undervoltage lockout
  • Hot warning and overtemperature shutdown
  • Crossover-current protection
  • Short-circuit, open-load diagnostics
  • Stall-detect features
  • Configurable through serial interface
Target Application

Part Number Specifications and Availability

Design Tools