Brush DC Drivers

Dual Full-Bridge MOSFET Driver with Microstepping Translator for High-Power Motors

A4989

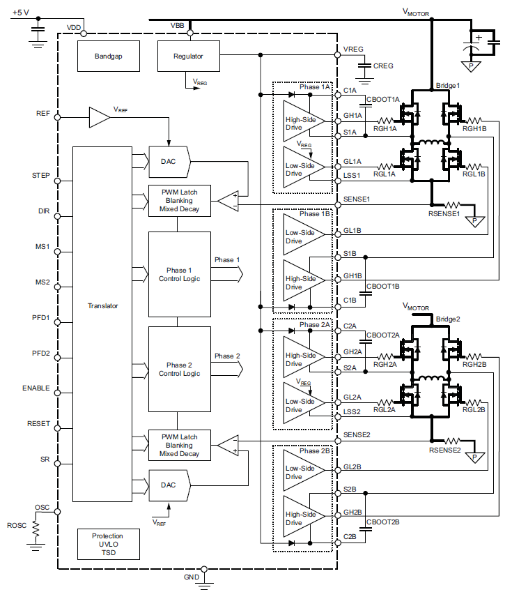
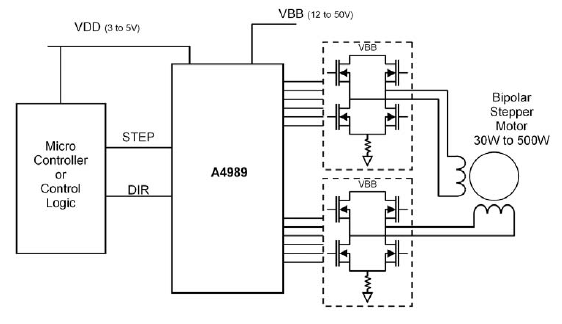
The A4989 provides a complete solution for driving high-power stepper motors, with integrated microstepping translation, sinusoidal DAC current reference, and synchronous rectification for efficient and quiet operation.

Product Details

Top Features

  • 2-wire step and direction interface
  • Dual full-bridge gate drive for N-channel MOSFETs
  • Operation over 12 to 50 V supply voltage range
  • Synchronous rectification
  • Cross-conduction protection
  • Adjustable mixed decay
  • Integrated sinusoidal DAC current reference
  • Fixed off-time PWM current control
  • Enhanced low current control when microstepping
  • Pin compatible with the A3986

Part Number Specifications and Availability

Design Tools