DCDC Regulators

Triple-Output Step-Down Switching Regulator for Industrial and Portable Applications

A4490

Serving as a replacement part for the A4492 - Triple Output Step-Down Switching Regulator.

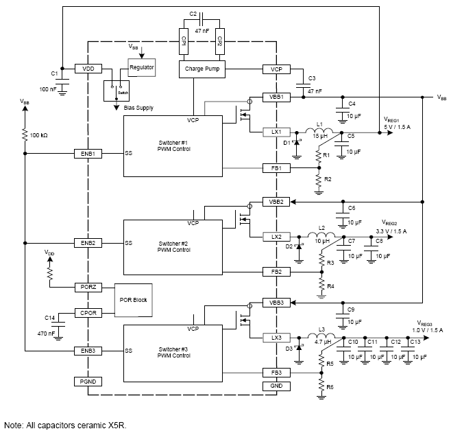
The A4490 efficiently powers multiple voltage rails with its three integrated buck converters, independent soft-start, and multiphase switching for reduced EMI. Ideal for industrial and portable equipment.

Product Details

Top Features

  • Three buck converters in a single IC
  • Saves significant PCB space and component count vs single regulators
  • 4.5 to 34 V input voltage range
  • 550 kHz fixed frequency – stable with ceramic output capacitors
  • Multiphase switching reduces EMI and input supply stress
  • Independent control of each converter simplifies power sequencing
  • Power-on-reset flag with adjustable delay
  • Internal compensation
  • 4 × 4 mm QFN Package, small PCB footprint

Part Number Specifications and Availability

Design Tools

Technical Documentation