Brush DC Drivers

Digitally Programmable Dual Full-Bridge MOSFET Driver for Stepper and BLDC Motors

A3985

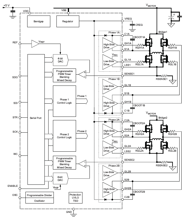
The A3985 offers a highly configurable solution for driving stepper and BLDC motors, featuring dual full-bridge gate drive, programmable PWM control, synchronous rectification, and integrated protection.

Product Details

Top Features

  • Serial interface for full digital control
  • Dual full-bridge gate drive for N-channel MOSFETs
  • Dual 6-bit DAC current reference
  • Operation over 12 to 50 V supply voltage range
  • Synchronous rectification
  • Cross-conduction protection
  • Adjustable mixed decay
  • Fixed off-time PWM current control
  • Low-current idle mode

Part Number Specifications and Availability

Design Tools