Brushless DC Drivers

Automotive 3-Phase BLDC Motor Controller for Wide Input Voltage Range Applications

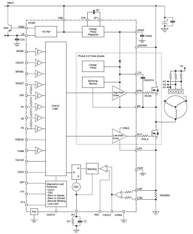
A3930-1

The A3930/A3931 provides a cost-effective and robust solution for automotive BLDC motor control. It supports a wide input voltage range (5.5V-50V), features integrated current control and synchronous rectification for enhanced efficiency, and offers flexible PWM control. The A3931 adds a pre-positioning feature for sensorless applications.

Product Details

Top Features

  • High current 3-phase gate drive for N-channel MOSFETs
  • Synchronous rectification
  • Cross-conduction protection
  • Charge pump and top-off charge pump for 100% PWM
  • Integrated commutation decoder logic
  • Operation over 5.5 to 50 V supply voltage range
  • Extensive diagnostics output
  • Provides +5 V Hall sensor power
  • Low-current sleep mode

Part Number Specifications and Availability

Design Tools

Technical Documentation