Brush DC Drivers

Automotive Full-Bridge MOSFET Driver with SPI Control, Current Sensing, and Diagnostics

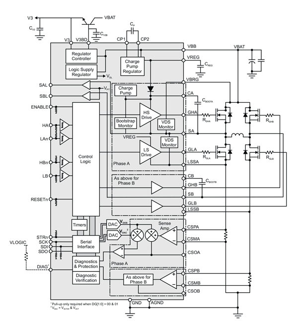
A3924

The A3924 is a highly integrated MOSFET driver for automotive applications, offering SPI control, integrated current sensing, and comprehensive diagnostics for enhanced performance and system reliability.

Product Details

Top Features

  • Full-bridge MOSFET driver
  • Bootstrap gate drive for N-channel MOSFET bridge
  • Cross-conduction protection with adjustable dead time
  • Charge pump for low supply voltage operation
  • Programmable gate drive voltage
  • 5.5 to 50 V supply voltage operating range
  • Integrated logic supply
  • Two integrated current sense amplifiers
  • SPI-compatible serial interface
  • Bridge control by direct logic inputs or serial interface
  • TTL-compatible logic inputs
  • Open-load detection
  • Extensive programmable diagnostics
  • Diagnostic verification
  • Safety-assist features
Target Application

Part Number Specifications and Availability

Design Tools

Technical Documentation