Brush DC Drivers

Automotive Full-Bridge MOSFET Driver with SPI Control and Diagnostics

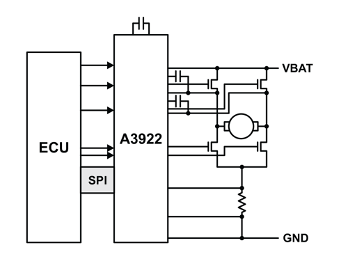
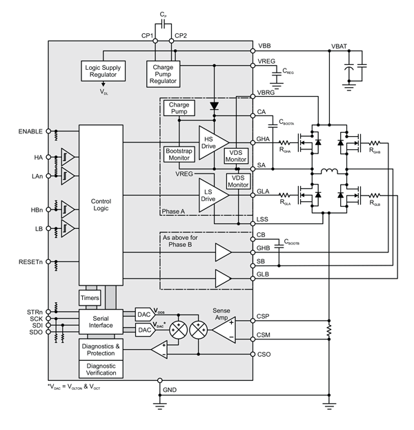
A3922

The A3922 provides precise and reliable motor control in automotive applications, featuring SPI control, integrated current sensing, comprehensive diagnostics, and ASIL compliance for functional safety.

Product Details

Top Features

  • Full-bridge MOSFET Driver
  • Bootstrap gate drive for N-channel MOSFET bridge
  • Cross-conduction protection with adjustable dead time
  • Charge pump for low supply voltage operation
  • Programmable gate drive voltage
  • 5.5 to 50 V supply voltage operating range
  • Integrated current sense amplifier
  • SPI compatible serial interface
  • Bridge control by direct logic inputs or serial interface
  • TTL-compatible logic inputs
  • Open-load detection
  • Extensive programmable diagnostics
  • Diagnostic verification
  • Safety-assist features
Target Application

Part Number Specifications and Availability

Design Tools