Magnetic Position Sensors

Precision Angle Sensor IC with Integrated Diagnostics for Safety-Critical Applications

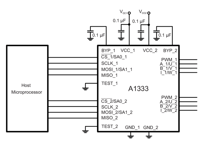
A1333

The A1333 provides high-resolution angle measurements with integrated diagnostics for safety-critical applications. Supports various output formats (UVW, ABI, SPI, PWM) and on-chip EEPROM for flexible configuration.

Product Details

Top Features

  • Contactless 0° to 360° angle sensor IC, for angular position, rotational speed, and direction measurement
    • Capable of sensing magnet rotational speeds targeting 12b effective resolution with 900 G field
    • Circular Vertical Hall (CVH) technology provides a single channel sensor system supporting operation across a wide range of air gaps
  • Developed in accordance with ISO 26262:2011 requirements for hardware product development for use in safety-critical applications (pending assessment)
  • High diagnostic coverage
    • On-chip diagnostics include logic built-in self-test (LBIST), signal path diagnostics, and watchdogs to support safety-critical applications
    • 4-bit CRC on SPI
  • On-chip EEPROM for storing factory and customer calibration parameters
    • Single-bit error correction, dual-bit error detection through the use of error correction control (ECC)
  • Supports harsh operating conditions required for automotive and industrial applications, including direct connection to 12 V battery
    • Operating temperature range from –40°C to 150°C
    • Operating supply voltage range from 4.0 to 16.5 V
      • Can support ISO 7637-2 Pulse 5b up to 39 V
  • Multiple output formats supported for ease of system integration
    • ABI/UVW output provides high resolution, low latency, and PWM for initial position
    • 10 MHz SPI for low latency angle and diagnostic information; enables multiple independent ICs to be connected to the same bus
    • Output resolution on ABI and UVW are selectable
  • Multiple programming / configuration formats supported
    • The system can be completely controlled and programmed over SPI, including EEPROM writes
    • For system with limited pins available, writing and reading can be performed over VCC and PWM pins. This allows configuring the EEPROM in production line for a device with only ABI/UVW and PWM pins connected.
  • Stacked dual die construction to improve die-to-die matching for systems that require redundant sensors
  • Reduces magnet misalignment impact on die-to-die matching for a given magnet diameter, relative to “side-by-side” dual die orientation

Part Number Specifications and Availability

Design Tools